咨询电话020-82306020
所有产品

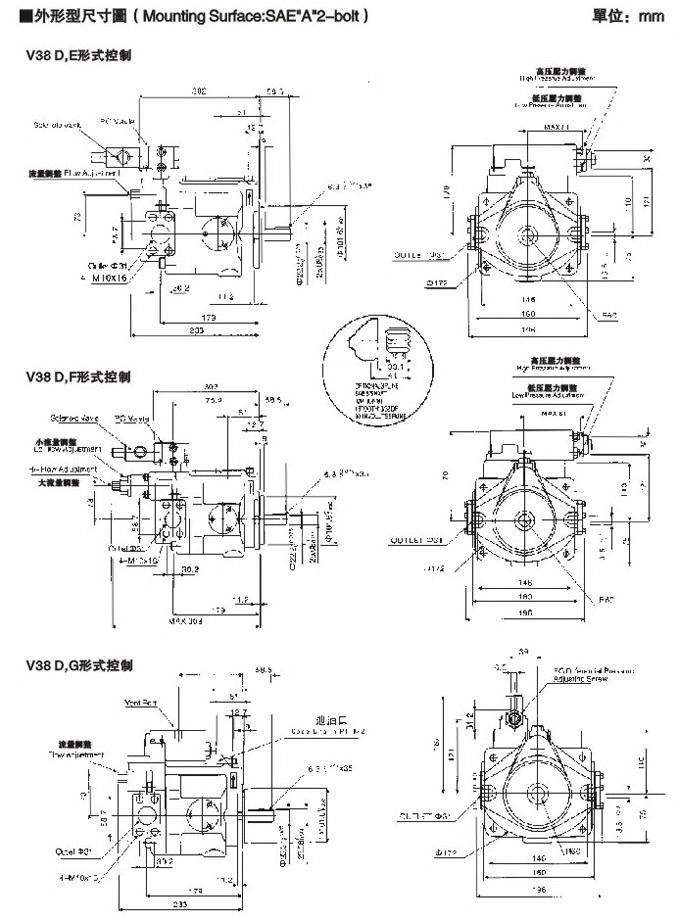
产品中心 >> 液压泵 >> 变量柱塞泵 >> V70

V70



产品说明:

广州市日森机械股份有限公司 | 粤ICP备2024172758号
谢小姐
李先生
冯先生